欢迎来到上海良酋传动机械有限公司官方网站!
网站首页
|
联系我们
服务热线
138-1690-5806
网站首页
公司简介
产品展示
案例展示
新闻资讯
资料下载
联系我们
网站首页
公司简介
产品展示
丝杆升降机
滚珠丝杆升降机
齿轮减速机
蜗轮蜗杆减速机
摆线针轮减速机
无极变速减速机
行星减速机
转向箱
电机
案例展示
新闻资讯
新闻中心
资料下载
联系我们
产品展示
丝杆升降机
ZMP蜗轮丝杆升降机
ZCA螺旋丝杆升降机
ZCT丝杆升降平台
ZML齿轮升降机
上海良酋丝杠螺母批量定制
滚珠丝杆升降机
ZCWG滚珠丝杆升降机
ZMLG滚珠丝杆升降机
ZCKG滚珠丝杆升降机
ZCB滚珠丝杆升降机
齿轮减速机
SZR斜齿轮减速机
LQE螺旋锥齿轮减速机
LQM平行轴齿轮减速机
G系列全封闭齿轮减速机
SZB硬齿面齿轮减速器
蜗轮蜗杆减速机
LQP蜗轮蜗杆减速机
LQN齿轮蜗杆减速机
SZWP蜗轮蜗杆减速机
摆线针轮减速机
LQU微型摆线针轮减速机
LQS摆线针轮减速机
无极变速减速机
LQT无极变速减速机
SZMB和SZXB组合减速机
行星减速机
SZP行星齿轮减速机
转向箱
ZCD螺旋锥齿轮换向箱
ZCA螺旋锥齿轮转向箱
LQA螺旋伞齿轮转向箱
电机
三相异步电机
联系我们
上海良酋传动机械有限公司
联系人:陈经理
手机:13816905806
地址:上海市金山区枫泾工业园
网址:www.shlqcd.com
您现在的位置是:网站首页 >
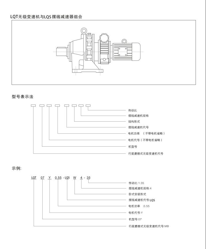
产品展示>├ LQS摆线针轮减速机-3
├ LQS摆线针轮减速机-3
版权所有:上海良酋传动机械有限公司 | Copyright - 2018 All Rights Reserved
沪ICP备2022021321号-1
电话
消息
二维码
分享