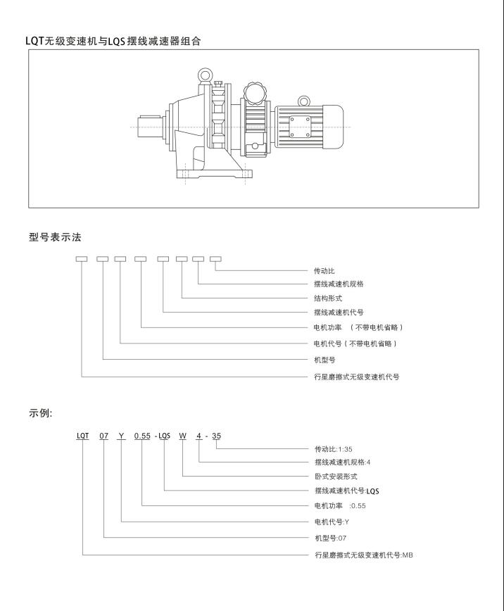
├ LQS摆线针轮减速机-3