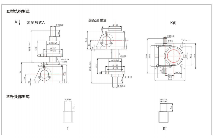
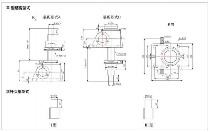
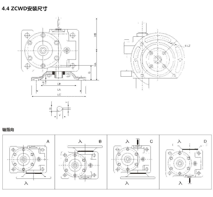
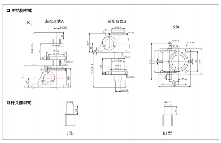
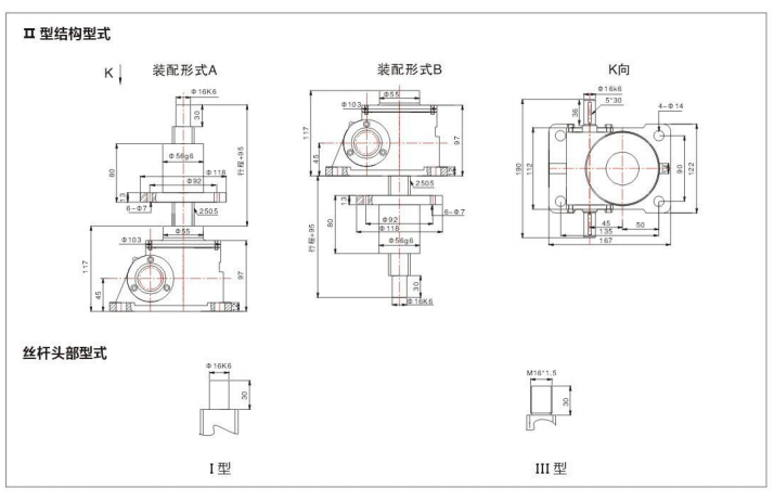
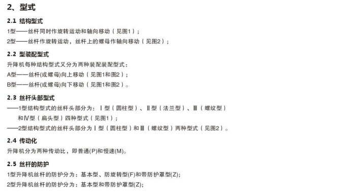
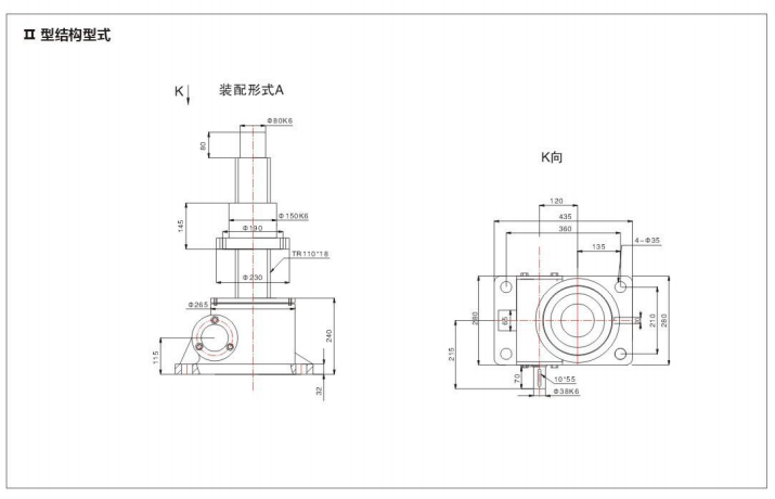
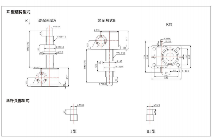
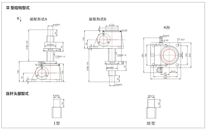
├ ZMP蜗轮丝杆升降机-16