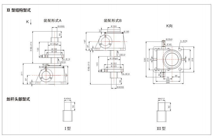
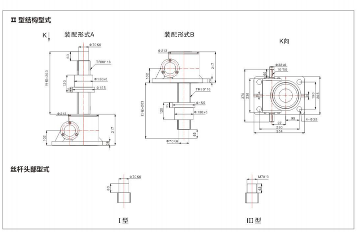
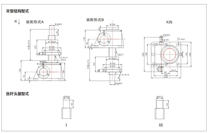
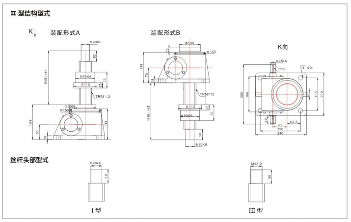
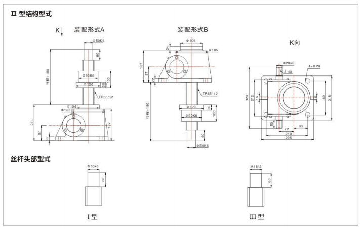
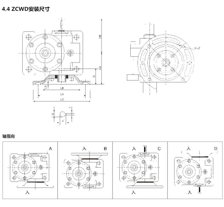
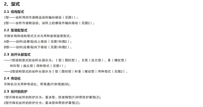
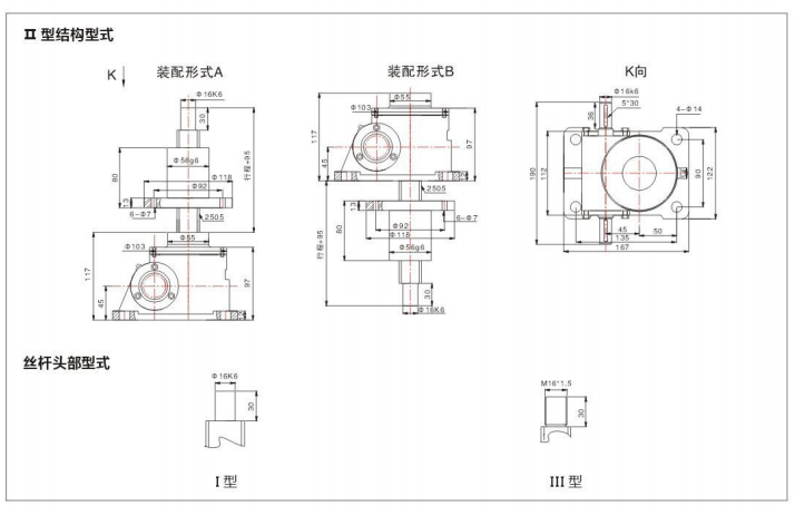
├ ZMP丝杆升降机-16